PRZEMYSŁOWE SYSTEMY OCHRONY POWIETRZA | Technologia na wyższym poziomie

 Lider Ekologii nagroda Ministra Środowiska RP

Promocja dotyczy modernizacji Cyklofiltra CF

do obowiązujących norm emisyjnych

obowiązujących od 1.01.2025 roku

Masz instalację odpylania CYKLOFILTREM  EI-CFI-PRZYSTOSUJ CYKLOFILTR DO NOWYCH NORM EMISYJNYCH 

OBOWIĄZUJĄCYCH OD 2025 ROKU

NIE ZWLEKAJ I ZAPYTAJ NAS O MODERNIZACJĘ DO NOWYCH NORM EMISYJNYCH

Zdziwisz się jakie to proste i uzasadnione ekonomicznie 

SPRAWDŹ ! CZY JEST TWOJA FIRMA W REFERENCJACH ECO INSTAL I SKORZYSTAJ Z RABATU PROMOCYJNEGO W ROKU 2025, jeśli nie to prześlij  nam swoje logo 

 

 

 

OPIS PATENTU

HIT TECHNOLOGICZNY

do ekonomicznej  modernizacji dla standardów emisyjnych obowiązujących norm

Cyklofiltr typu EI-CFI

Patent Eco Instal PL 202788

TECHNOLOGIA NA WYŻSZYM POZIOMIE 

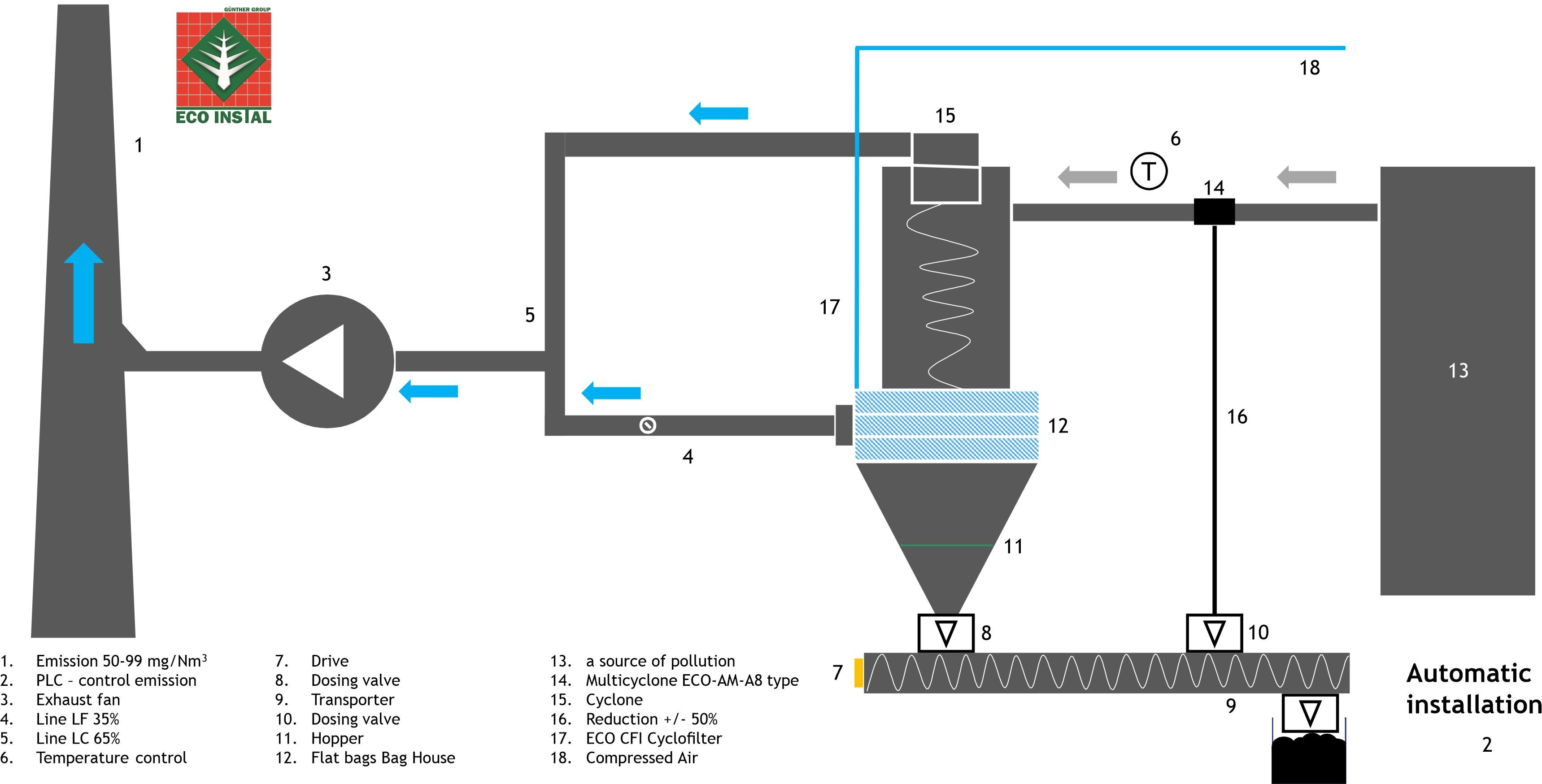
Cyklofiltr typu EI-CFI zostal opracowany przez Eco Instal w wyniku wieloletnich doświadczeń w których powstało rewelacyjne urządzenie łączące w sobie odpylanie cyklonowe z filtracją przez worki filtracyjne w systemie automatycznym.

Cyklofiltr EI-CFI ogranicza emisję pyłów do poziomi poniżej 100 mg/Nm3, a konstrukcja Cyklofiltra Eco Instal pozwala na rozbudowę systemu odpylania do poziomu emisji pyłów nawet poniżej 20 mg/Nm3 bez kosztownych inwestycji.

Cyklofiltr EI-CFI został zastosowany w ponad 300 aplikacjach w branży ciepłownictwa i innych.

ZALETY SYSTEMU

  • ograniczenie emisji pyłów poniżej 100 mg/Nm3 lub poniżej 20 mg/Nm3
  • możliwość rozbudowy sytemu do emisji pyłu nawet poniżej 20 mg/Nm3
  • możliwość rozbudowy do ograniczenia emisji SOx, furanów, dioksyn i innych szkodliwych związków.
  • zwarta i prosta konstrukcja
  • bardzo niskie koszty eksploatacji
  • zastosowanie filtrów Flat Bag 
  • automatyczne sterowanie

 

 

 

thermal waste treatment technology

Materiały do pobrania

Polityka Prywatności

Polityka plików cookies

Kontakt

ul. Stanisława Zwierzchowskiego 33

61-249 Poznań, Polska

Tel.:+48 61 810 83 16

ecoinstal@ecoinstal.com

 Należymy do  Günther Group Lidera Przemysłowych Systemów ochrony Powietrza w UE

Podpowiedź:

Możesz usunąć tę informację włączając Plan Premium

Ta strona została stworzona za darmo w WebWave.
Ty też możesz stworzyć swoją darmową stronę www bez kodowania.